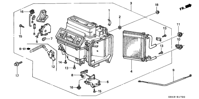
1998 Honda Accord Blend Door Actuator. All fit 1986 - 2020 Honda Accord and more. Details about For 1998-2002 Honda Accord Air Flap Actuator 95342CW 2001 2000 1999 HVAC Blend Door Actuator – Blend Door Actuator. HVAC Blend Door Actuator – Blend Door Actuator. Honda Accord 1998 HVAC Heater Blend Door Actuator by Genuine.
Items per Page. Can you help me with a diagram showing how to replace it. Buy online and pick up in store or get fast free delivery on qualified orders. And what causes them to mess up. HONDA 1998 ACCORD 23L L4 Heat Air Conditioning Heater Blend Door Actuator. 1998 Honda Accord Air Flap Actuator Review Fitment Notes to Ensure Proper Fit.
HVAC Blend Door Actuator – Blend Door Actuator.
I understand it is underneath the driver s side. In this video I explain how to replace the AC blend door actuator. Honda Accord AC Heater Blend Door Actuator 2000 Honda Accord AC Heater Blend Door Actuator 1999 Honda Accord AC Heater Blend Door Actuator 1998 Honda Accord AC Heater Blend Door. An actuator can go bad in of two ways. And what causes them to mess up. All fit 1986 - 2020 Honda Accord and more.